
電極鍋爐是利用水的高熱阻特性,直接將電能轉換為熱能并產生熱水、蒸汽的一種裝置。
一、加熱原理
大強電極鍋爐加熱原理是基于三相中壓電流通過設定電導率的爐水釋放大量熱能從而生產可加以控制和利用的熱水和蒸汽。
由于是利用水的電阻性直接進行加熱,電能100%轉化成熱量,基本沒有熱損失。
二、加熱負荷調節
基于電極鍋爐加熱方式的特殊性,其加熱功率的調節主要是通過調節與電極接觸水量大小來實現的,即通過改變電極間的電阻。由于水量的調節范圍是 ,因此電極鍋爐的調節范圍也是 ,在 10%-104%的范圍內可以做到無級調節。
基于電極鍋爐加熱方式的特殊性,其加熱功率的調節主要是通過調節與電極接觸水量大小來實現的,即通過改變電極間的電阻。由于水量的調節范圍是0-1%,因此電極鍋爐的調節范圍也是0-1%,在 10%-100%的范圍內可以做到無級調節。
三、加熱電壓要求
大強電極鍋爐加熱電壓采用中壓電,電壓三6kV.相同的鍋爐,加熱電壓不一樣,其功率也是不一樣的。因加熱功率與電壓的平方成正比關系。所以對于大功率的電極鍋爐來說,希望其加熱電壓越高越好,否則其尺寸會相應加大。
因此電極式鍋爐一般都需要兩路電源,一路中壓電源,一路低壓電源。
四、與常規鍋爐比較
1、啟動速度
電極鍋爐體積小巧,啟動迅速,從冷態啟動到滿負荷只需要幾十分鐘,從熱態到滿負荷只需1分鐘。而常規鍋爐的啟動時間非常長,冷態啟動時,一般需要2小時左右,熱態一般為15-20分鐘。
2、系統的復雜程度:
電極式系統較簡單,比常規鍋爐多了中壓電源系統,而減少了燃料系統。鍋爐體積也小,因此占地面積也小。
3、使用經濟性方面:
電極式鍋爐從冷態到熱態可以采用電熱管進行加熱,基本沒有排放,因此效率接近 況且隨時可以起停,非常方便。實際運行時間和成本都非常低
4節能領域方面:
在節能領域,電極熱水鍋爐能夠結合大型蓄能設備,電力低谷電期間,利用電作為能源來加熱蓄熱介質,并將其儲藏在蓄熱裝置中;在用電高峰期間將蓄熱裝置中的熱能釋放出來滿足供熱需要,其優點是:平衡電網峰谷荷差;充分利用廉價的低谷電,降低運行費用;系統運行的自動化程度高,無燥聲,無明火。
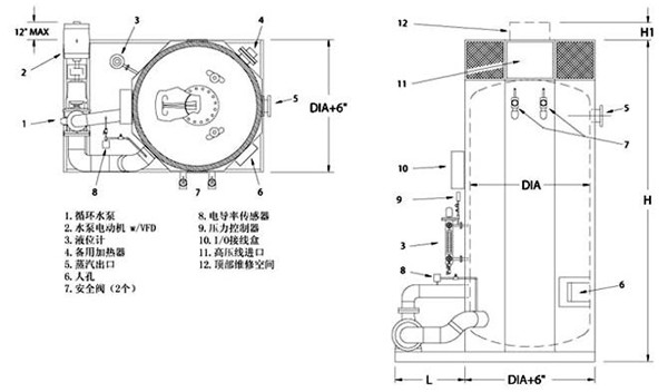
電極鍋爐工作原理
鍋爐通過內部循環水泵(3)把水從鍋爐本體底部抽到噴喵頭,水在重力作用下噴射到電極上,這樣就產生一個電流通路,由于未蒸發的水從電極(18)流到二次電極,會產生第二個電流通路,在大額定電導率下,通過二個電流通路,有大約3%的水變成蒸汽。
鍋爐的輸出調節是通過改變循環水泵的轉速來實現的,改變水泵轉速將調節到達噴嗤的水量,可以將蒸汽壓力設為恒定或保持在一個可調整的功率范圍內,通過觸摸屏VFD上調節鍋爐壓力和負載系統來控制水泵轉速。
在空負荷和滿負荷之間可以隨意調節,因此鍋爐輸出可以根據需求變化而變化。從空載到滿載的調節可以在短短5秒內實現,但是這個過程通常要延時20-30秒。
如需產生熱水,HS1提供一個帶換熱器系統的電極鍋爐,該換熱器將蒸汽轉換為熱水并直接連接在鍋爐上;該系統的優點是換熱器的冷凝水通過重力流回到鍋爐內,減少了冷凝水回水對除氧系統的需要,因此提高了系統的效率。






